【住建部】建設工程質量檢測機構資質標準,附檢測專項檢測能力表
為了加強對建設工程質量檢測(以下簡稱“質量檢測”)的資質管理,根據《建設工程質量管理條例》《建設工程質量檢測管理辦法》,制定本標準。
一、 總 則
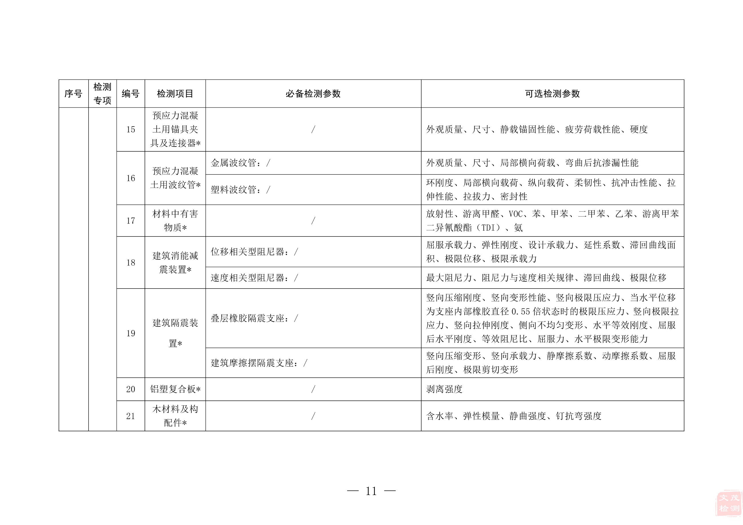
(一)本標準包括建設工程質量檢測機構(以下簡稱“檢測機構”)資質相應機構的資歷及信譽、主要技術人員、檢測設備及場所、管理水平等內容(見附件1:主要技術人員配備表;附件2:檢測專項及檢測能力表)。
(二)檢測機構資質分為二個類別:
1.綜合資質
綜合資質是指包括全部專項資質的檢測機構資質。
2.專項資質
專項資質包括:建筑材料及構配件、主體結構及裝飾裝修、鋼結構、地基基礎、建筑節能、建筑幕墻、市政工程材料、道路工程、橋梁及地下工程等9個檢測機構專項資質。
檢測機構資質不分等級。
本標準中要求的主要技術人員(含注冊人員),年齡限60周歲及以下。
二、標 準
綜合資質
1.資歷和信譽
⑴有獨立法人資格的企業、事業單位,或依法設立的合伙企業,且具有6年以上質量檢測經歷。
⑵具有建筑材料及構配件(或市政工程材料)、主體結構及裝飾裝修、建筑節能、鋼結構、地基基礎5個專項資質和其它2個專項資質。
⑶社會信譽良好,近3年未發生過一般及以上工程質量安全責任事故。
2.主要技術人員
⑴技術負責人、質量負責人具有8年以上質量檢測工作經歷及工程類專業正高級技術職稱。
⑵一級注冊結構工程師不少于3名,注冊土木工程師(巖土)不少于2名,且具有2年以上質量檢測工作經歷。
⑶質量檢測人員不少于100人,其中工程類專業中級及以上技術職稱人員不少于40人,工程類專業高級及以上技術職稱人員不少于20人,且具有3年以上質量檢測工作經歷。
3.檢測設備及場所
⑴質量檢測設備設施齊全,檢測儀器設備功能、量程、精度,以及配套設備設施滿足“檢測專項及檢測能力表”相應專項資質所需的必備參數要求。
⑵有滿足工作需要的固定工作場所及質量檢測場所,主要固定場所建筑面積不少于2000m2。
4.管理水平
⑴有完善的組織機構和質量管理體系,通過ISO9001質量管理體系認證。
⑵有完善的信息化管理系統,實現檢測業務受理、檢測數據采集、檢測信息上傳、檢測報告出具、檢測檔案管理等質量檢測活動全過程可追溯。
專項資質
1.資歷和信譽
⑴有獨立法人資格的企業、事業單位,或依法設立的合伙企業。
⑵主體結構及裝飾裝修、鋼結構、地基基礎、建筑幕墻、道路工程、橋梁及地下工程等專項資質,應當具有3年以上質量檢測經歷。
⑶社會信譽良好,近3年未發生過一般及以上工程質量安全責任事故。
2.主要技術人員
⑴技術負責人、質量負責人具有5年以上質量檢測工作經歷及工程類專業高級及以上技術職稱。
⑵主要技術人員數量不少于“主要技術人員配備表”規定的人數。
3.檢測設備及場所
⑴質量檢測設備設施基本齊全,檢測設備儀器功能、量程、精度,以及配套設備設施滿足“檢測專項及檢測能力表”專項資質相應的必備參數要求。
⑵有滿足工作需要的固定工作場所及質量檢測場所,主要固定場所建筑面積不少于600m2。
4.管理水平
⑴有完善的組織機構和質量管理體系,有健全的技術、檔案等管理制度。
⑵有信息化管理系統,實現質量檢測活動全過程可追溯。
三、業務范圍
(一)綜合資質
承擔所有專項資質中已取得檢測參數的檢測業務。
(二)專項資質
承擔所取得專項資質范圍內已取得檢測參數的檢測業務。
四、附 則
(一)質量檢測人員是指從事檢測試驗、檢測數據處理、檢測報告出具等檢測活動的人員。
(二)本標準的“以上”、“以下”、“不少于”均包含本數。
(三)本標準自2023年1月1日起施行。
(四)本標準由住房和城鄉建設部負責解釋。














